高压冲量安全装置(H系列)

当前位置:首页 > 产品展示 > 安全阀系列
产品展示

PRODUCTS

高压冲量安全装置(H系列)
  • 高压冲量安全装置(H系列)

 高压冲量安全装置(H系列)

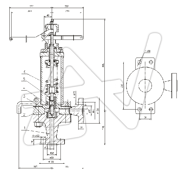
安装说明 Installation instruction

  1、主安全阀A49Y—PW5410V DN125应与冲量安全阀A49Y-PW5410V DN20配套安装。冲量安全阀引出管与主安全阀的人口管之间应保持一段较长的距离,电接点压力表和主安全阀人口管之间的距离不得小于5倍主安全阀人口径,以免主安全阀动作时,因排汽影响电接点压力表和弹簧安全阀工作稳定性。
  2、冲量安全阀安装前,应将管路冲洗干净。
  3、主安全阀与冲量安全阀必须垂直安装,主安全阀在安装焊接后,要进行局部热处理。
  4、主安全阀应紧固在构架上,该构架应能承受主安全阀排汽时产生的反作用力,主安全阀的排汽管应有专门的吊架,避免排汽管的质量(重量)与其它作用力作用在主安全阀上及主安全阀与排汽管之间连接法兰上,在排汽管的最低点,应考虑疏水,以免主安全阀排汽时产生水击。
  • 产品说明
安装说明 
  1、主安全阀A49Y—PW5410V DN125应与冲量安全阀A49Y-PW5410V DN20配套安装。冲量安全阀引出管与主安全阀的人口管之间应保持一段较长的距离,电接点压力表和主安全阀人口管之间的距离不得小于5倍主安全阀人口径,以免主安全阀动作时,因排汽影响电接点压力表和弹簧安全阀工作稳定性。
  2、冲量安全阀安装前,应将管路冲洗干净。
  3、主安全阀与冲量安全阀必须垂直安装,主安全阀在安装焊接后,要进行局部热处理。
  4、主安全阀应紧固在构架上,该构架应能承受主安全阀排汽时产生的反作用力,主安全阀的排汽管应有专门的吊架,避免排汽管的质量(重量)与其它作用力作用在主安全阀上及主安全阀与排汽管之间连接法兰上,在排汽管的最低点,应考虑疏水,以免主安全阀排汽时产生水击。
  5、冲量安全阀与电磁铁一起装在一个专门的支架上,阀门上杠杆与电磁铁连接要灵活,不得有卡涩现象。冲量阀应装在便于维修和调试,灰尘少、空气干燥、无振动的地方,其环境温度不应高于70℃,相对湿度不应超过8。℃。
  6、为了保证冲量安全阀动作自如,冲量安全阀的回座杠杆头部的圆弧部分与冲量安全阀压杆端部的距离应调到:冲量安全阔实际行程+1mm(用护罩顶部M10×40坚固螺钉调之)。
 
立特网

手机扫一扫,与我们保持联系

分享到:
立特阀门科技有限公司专业生产销售安全阀
Copyright © 立特阀门科技有限公司 All Rights Reserved  
->
(8:30-18:30)
在线QQ
点击这里给我发消息
点击这里给我发消息
销售热线
0577-66999885
传真
0577-66999889
扫一扫二维码
关注我们